![]() |
|
||||||
| 选型列表: |
| DC 3/4线 |
| 检测方式 | 形状 | 检测距离 | 连接方式 | 输出方式 | 输出动作 | 型号选择 |
| 对 射 | ![]() |
7mm | 引线 2M | NPN | 常开 (NO) | JCG-0755TM07NO |
| 常闭 (NC) | JCG-0755TM07NC | |||||
| PNP | 常开 (NO) | JCG-0755TM07PO | ||||
| 常闭 (NC) | JCG-0755TM07PC | |||||
![]() |
15mm | 引线 2M | NPN | 常开 (NO) | JCG-1540TM2NO | |
| 常闭 (NC) | JCG-1540TM2NC | |||||
| PNP | 常开 (NO) | JCG-1540TM2PO | ||||
| 常闭 (NC) | JCG-1540TM2PC | |||||
![]() |
30mm | 引线 2M | NPN | 常开 (NO) | JCG-3072TM3NO | |
| 常闭 (NC) | JCG-3072TM3NC | |||||
| 常开+常闭 (NO+NC) | JCG-3072TM3ND | |||||
| PNP | 常开 (NO) | JCG-3072TM3PO | ||||
| 常闭 (NC) | JCG-3072TM3PC | |||||
| 常开+常闭 (NO+NC) | JCG-3072TM3PD |
| 类型 | 对射 |
| 供电电压 | 10...30VDC |
| 输出方式 | NPN/PNP NO/NC/NO+NC |
| 光 源 | 红外二极管 |
| 输出电流 | ≤200mA |
| 灵 敏 度 | 3072系列可调;其它系列不可调 |
| 响应时间 | ≤3ms |
| 消耗电流 | ≤25 mA |
| 电 压 降 | ≤2.5V |
| 保护电路 | 具备 |
| 动作指示 | 工作指示灯:LED(红色) ; 输出指示灯:LED(绿色) |
| 环境温度 | -10…55℃ |
| 环境湿度 | 35…95% |
| 防护等级 | IP65 |
| 接线方式 | 电缆线2米 |
| AC/DC 5线 |
| 检测方式 | 形状 | 检测距离 | 连接方式 | 输出方式 | 输出动作 | 型号选择 |
| 对 射 | ![]() |
30mm | 引线 2M | 继电器 | 触点一开一闭 | JCG-3072TM3DR |
| 继电器 | 触点一开一闭 | JCG-3072TM3AR |
| 类型 | 对射 |
| 供电电压 | JCG-3072TM3AR (10...30VDC) ; JCG-3072TM3AR (220VAC) |
| 输出方式 | 触点输出(NO+NC) |
| 光 源 | 红外二极管 |
| 输出电流 | ≤200mA |
| 灵 敏 度 | 可调 |
| 响应时间 | ≤3ms |
| 消耗电流 | < 20 mA |
| 电 压 降 | ≤2.5V |
| 保护电路 | 具备 |
| 动作指示 | 工作指示灯:LED(红色) ; 输出指示灯:LED(绿色) |
| 环境温度 | -10…55℃ |
| 环境湿度 | 35…95% |
| 防护等级 | IP65 |
| 接线方式 | 电缆线2米 |
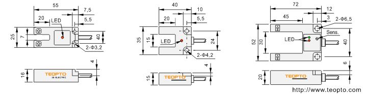
| 外形尺寸: |
单位:mm
| JCG-0755... | JCG-1540... | JCG-3072... |
![]() |
| 电气接线图: |
| DC 3线: | |
![]() |
|
| DC 4线: | AC 5线: |
![]() |
![]() |
| DC 5线: | |
![]() |
|