![]() |
|
||||||
| 选型列表: |
| DC 3/4线 |
| 检测方式 | 形状 | 检测距离 | 连接方式 | 输出方式 | 输出动作 | 型号选择 |
| 直接反射 | ![]() |
30cm | 引线 2M | NPN | 常开 (NO) | JCG-1950D03NO |
| 常闭 (NC) | JCG-1950D03NC | |||||
| 常开+常闭 (NO+NC) | JCG-1950D03ND | |||||
| PNP | 常开 (NO) | JCG-1950D03PO | ||||
| 常闭 (NC) | JCG-1950D03PC | |||||
| 常开+常闭 (NO+NC) | JCG-1950D03PD | |||||
![]() |
1m | 引线 2M | NPN | 常开 (NO) | JCG-1950D1NO | |
| 常闭 (NC) | JCG-1950D1NC | |||||
| 常开+常闭 (NO+NC) | JCG-1950D1ND | |||||
| PNP | 常开 (NO) | JCG-1950D1PO | ||||
| 常闭 (NC) | JCG-1950D1PC | |||||
| 常开+常闭 (NO+NC) | JCG-1950D1PD | |||||
| 镜面反射 | ![]() |
3m | 引线 2M | NPN | 常开 (NO) | JCG-1950R2NO |
| 常闭 (NC) | JCG-1950R2NC | |||||
| 常开+常闭 (NO+NC) | JCG-1950R2ND | |||||
| PNP | 常开 (NO) | JCG-1950R2PO | ||||
| 常闭 (NC) | JCG-1950R2PC | |||||
| 常开+常闭 (NO+NC) | JCG-1950R2PD | |||||
| 对 射 | ![]() |
10m | 引线 2M | NPN | 常开 (NO) | JCG-1950T10NO |
| 常闭 (NC) | JCG-1950T1NC | |||||
| 常开+常闭 (NO+NC) | JCG-1950T1ND | |||||
| PNP | 常开 (NO) | JCG-1950T1PO | ||||
| 常闭 (NC) | JCG-1950T1PC | |||||
| 常开+常闭 (NO+NC) | JCG-1950T1PD | |||||
| 类型 | 直接反射 | 镜面反射 | 对射 |
| 供电电压 | 10...30VDC | ||
| 输出方式 | NPN/PNP NO/NC/NO+NC | ||
| 光 源 | 红外二极管 | ||
| 输出电流 | ≤200mA | ||
| 灵 敏 度 | 可调 | ||
| 响应时间 | ≤3ms | ||
| 消耗电流 | ≤25 mA | ||
| 电 压 降 | ≤2.5V | ||
| 保护电路 | 具备 | ||
| 动作指示 | 工作指示灯:LED(红色) ; 输出指示灯:LED(绿色) | ||
| 环境温度 | -10…55℃ | ||
| 环境湿度 | 35…95% | ||
| 防护等级 | IP65 | ||
| 接线方式 | 电缆线2米 | ||
| AC/DC 5线 |
| 检测方式 | 形状 | 检测距离 | 连接方式 | 输出方式 | 输出动作 | 型号选择 |
| 直接反射 | ![]() |
30cm | 引线 2M | 继电器 | 触点一开一闭 | JCG-1950D03R |
![]() |
1m | 触点一开一闭 | JCG-1950D1R | |||
| 镜面反射 | ![]() |
3m | 引线 2M | 继电器 | 触点一开一闭 | JCG-1950R3R |
| 对 射 | ![]() |
10m | 引线 2M | 继电器 | 触点一开一闭 | JCG-1950T10R |
| 类型 | 直接反射 | 镜面反射 | 对射 |
| 供电电压 | 12...240VDC;24...240VAC | ||
| 输出方式 | 触点输出(NO+NC) | ||
| 光 源 | 红外二极管 | ||
| 输出电流 | ≤200mA | ||
| 灵 敏 度 | 可调 | ||
| 响应时间 | ≤3ms | ||
| 消耗电流 | ≤25 mA | ||
| 电 压 降 | ≤2.5V | ||
| 保护电路 | 具备 | ||
| 动作指示 | 工作指示灯:LED(红色) ; 输出指示灯:LED(绿色) | ||
| 环境温度 | -10…55℃ | ||
| 环境湿度 | 35…95% | ||
| 防护等级 | IP65 | ||
| 接线方式 | 电缆线2米 | ||
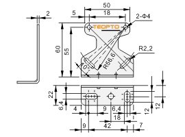
| 外形尺寸: |
单位:mm
| 直接反射型,镜面反射型 | 对射型 | AC/DC 5线 |
|

| 电气接线图: |
| DC 3线: | |
![]() |
|
| DC 4线: | AC/DC 5线: |
![]() |
![]() |
| 发射器(DC): | 发射器(AC/DC): |
![]() |
![]() |