![]() |
|
||||||
| 检测方式 | 直接反射式 |
||||
| 红色光源 | 绿色光源 | 兰色光源 | 白色光源 | ||
| 检测距离 | 10mm | ||||
| 直流 (三线) |
NPN 常开 | C55R-D01NO | C55G-D01NO | C55B-D01NO | C55W-D01NO |
| PNP 常开 | C55R-D01PO | C55G-D01PO | C55B-D01PO | C55W-D01PO | |
| 模拟量0~5.5V输出 | C55R-D01PA | C55G-D01PA | C55B-D01PA | C55W-D01PA | |
| 工作电压 | 10~30VDC | |
| 输出电流及形式 | 晶体管输出 | ≤100mA |
| 保护回路 | 具备短路保护、极性保护 | |
| 防护等级 | IP67 | |
| 环境温度 | -20~55℃(不凝露,不结冰) | |
| 环境照度 | 白炽灯:3000Lx以下,太阳光:1000Lx以下 | |
| 外壳材料 | 铝压铸 | |
| 接线形式 | 直接引线 2m | |
|
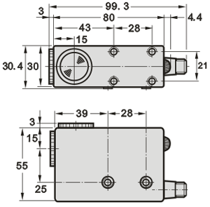
单位:mm ![]() |
![]() |
![]() |