| 检测方式 | S |
N |
||
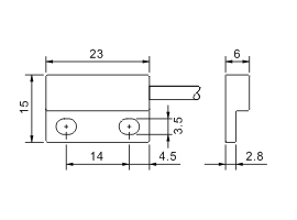
| 埋入式 | ||||
![]() |
![]() |
|||
| 检测距离 | 10 mm | |||
| 直流 | NPN 3/4线 |
常开 | LJH-1523S10NO | |
| 常闭 | LJH-1523S10NC | |||
| 开+闭 | ||||
| PNP 3/4线 |
常开 | LJH-1523S10PO | ||
| 常闭 | LJH-1523S10PC | |||
| 开+闭 | ||||
| 2线 | 常开 | |||
| 常闭 | ||||
| 直流电源 | |||
| 3/4线 | 2线 | ||
| 工作电压 | 10~30VDC | -- | |
| 负载电流 | ≤100mA | -- | |
| 静态电流 | -- | -- | |
| 电 压 降 | -- | -- | |
| 开关频率 | 2000Hz | -- | |
| 回差距离 | 约为检测距离的15% | ||
| 安 装 | 齐平安装在非铁磁性金属中 | ||
| 输出指示 | LED | ||
| 防护等级 | IP67 | ||
| 环境温度 | -20~70℃ | ||
| 相对湿度 | 35~95%RH | ||
| 外壳材料 | IBS | ||
| 接线形式 | 引线 2m | ||
|
* 电缆线材料及长度可按要求定制. |
| DC 3线: |
![]() ![]() |