| 检测方式 | S |
N |
||
| 埋入式 | 非埋入式 | |||
![]() |
![]() |
|||
| 检测距离 | 15 mm | 20 mm | ||
| 直流 | NPN 3/4线 |
常开 | LJK-4065S15NO | LJK-4065N20NO |
| 常闭 | LJK-4065S15NC | LJK-4065N20NC | ||
| 开+闭 | LJK-4065S15ND | LJK-4065N20ND | ||
| PNP 3/4线 |
常开 | LJK-4065S15PO | LJK-4065N20PO | |
| 常闭 | LJK-4065S15PC | LJK-4065N20PC | ||
| 开+闭 | LJK-4065S15PD | LJK-4065N20PD | ||
| 2线 | 常开 | LJK-4065S15TO | LJK-4065N20TO | |
| 常闭 | LJK-4065S15TC | LJK-4065N20TC | ||
| 交流 2线 | 常开 | LJK-4065S15AO | LJK-4065N20AO | |
| 常闭 | LJK-4065S15AC | LJK-4065N20AC | ||
| 自由电源 2线 | 常开 | LJK-4065S15BO | LJK-4065N20BO | |
| 常闭 | LJK-4065S15BC | LJK-4065N20BC | ||
| 直流电源 | 交流电源 | 自由电源 | ||
| 3/4线 | 2线 | 2线 | 2线 | |
| 工作电压 | 10~30VDC | 90~250VAC | 12~240VDC 24~240VAC |
|
| 负载电流 | ≤200mA | ≤200mA | ≤200mA | |
| 静态电流 | ≤10mA | ≤1mA | ≤3mA | AC:≤3mA;DC:<1mA |
| 电 压 降 | <2.5V | <6V | <8V | AC:≤8V;DC:<6V |
| 开关频率(埋 入) | 200Hz | 200Hz | 20Hz | AC:20Hz;DC:100Hz |
| 开关频率(非埋入) | 150Hz | 150Hz | 20Hz | AC:20Hz;DC:100Hz |
| 标准检测体 | 40×40×1mm(铁),可检测导磁性物体 | |||
| 回差距离 | 约为检测距离的15% | |||
| 极性保护 | 具备 | -- | -- | |
| 短路保护 | 具备 | -- | -- | |
| 输出指示 | LED | |||
| 防护等级 | IP67 | |||
| 环境温度 | -20~70℃ | |||
| 相对湿度 | 35~95%RH | |||
| 外壳材料 | PBT | |||
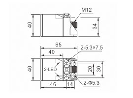
| 接线形式 | M12连接器 | |||
|
* 电缆线材料及长度可按要求定制.
|
| DC 3线: | |
![]() ![]() |
|
| DC 4线: | DC 2线: |
![]() |
![]() |
| AC 2线: | AC/DC 2线: |
![]() |
![]() |