| 检测方式 | S |
N |
||
| 埋入式 | 非埋入式 | |||
![]() |
![]() |
|||
| 检测距离 | 1.5 mm | 2 mm | ||
| 直流 | NPN 3/4线 |
常开 | LJK-0808S1.5NO | LJK-0808N2NO |
| 常闭 | LJK-0808S1.5NC | LJK-0808N2NC | ||
| 开+闭 | ||||
| PNP 3/4线 |
常开 | LJK-0808S1.5PO | LJK-0808N2PO | |
| 常闭 | LJK-0808S1.5PC | LJK-0808N2PC | ||
| 开+闭 | ||||
| 2线 | 常开 | |||
| 常闭 | ||||
| 交流 2线 | 常开 | |||
| 常闭 | ||||
| 自由电源 2线 | 常开 | |||
| 常闭 | ||||
| 直流电源 | 交流电源 | 自由电源 | ||
| 3/4线 | 2线 | 2线 | 2线 | |
| 工作电压 | 10~30VDC | 90~250VAC | 12~240VDC 24~240VAC |
|
| 负载电流 | ≤200mA | -- | -- | |
| 静态电流 | ≤10mA | -- | -- | -- |
| 电 压 降 | <2.5V | -- | -- | -- |
| 开关频率(埋 入) | 1200Hz | -- | -- | -- |
| 开关频率(非埋入) | 1000Hz | -- | -- | -- |
| 标准检测体 | 8×8×1mm(铁),可检测导磁性物体 | |||
| 回差距离 | 约为检测距离的15% | |||
| 极性保护 | 具备 | -- | -- | |
| 短路保护 | -- | -- | -- | |
| 输出指示 | LED | |||
| 防护等级 | IP67 | |||
| 环境温度 | -20~70℃ | |||
| 相对湿度 | 35~95%RH | |||
| 外壳材料 | 铝合金 | |||
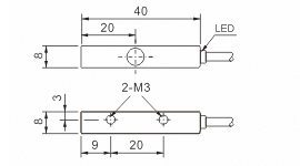
| 接线形式 | 引线 2m | |||
|
* 电缆线材料及长度可按要求定制. |
| 检测方式 | S |
N |
||
| 埋入式 | 非埋入式 | |||
![]() |
![]() |
|||
| 检测距离 | 1.5 mm | 2 mm | ||
| 直流 | NPN 3/4线 |
常开 | LJK-0807S1.5NO | LJK-0807N2NO |
| 常闭 | LJK-0807S1.5NC | LJK-0807N2NC | ||
| 开+闭 | ||||
| PNP 3/4线 |
常开 | LJK-0807S1.5PO | LJK-0807N2PO | |
| 常闭 | LJK-0807S1.5PC | LJK-0807N2PC | ||
| 开+闭 | ||||
| 2线 | 常开 | |||
| 常闭 | ||||
| 交流 2线 | 常开 | |||
| 常闭 | ||||
| 自由电源 2线 | 常开 | |||
| 常闭 | ||||
| 直流电源 | 交流电源 | 自由电源 | ||
| 3/4线 | 2线 | 2线 | 2线 | |
| 工作电压 | 10~30VDC | 90~250VAC | 12~240VDC 24~240VAC |
|
| 负载电流 | ≤200mA | -- | -- | |
| 静态电流 | ≤10mA | -- | -- | -- |
| 电 压 降 | <2.5V | -- | -- | -- |
| 开关频率(埋 入) | 1200Hz | -- | -- | -- |
| 开关频率(非埋入) | 1000Hz | -- | -- | -- |
| 标准检测体 | 8×8×1mm(铁),可检测导磁性物体 | |||
| 回差距离 | 约为检测距离的15% | |||
| 极性保护 | 具备 | -- | -- | |
| 短路保护 | -- | -- | -- | |
| 输出指示 | LED | |||
| 防护等级 | IP67 | |||
| 环境温度 | -20~70℃ | |||
| 相对湿度 | 35~95%RH | |||
| 外壳材料 | 铝合金 | |||
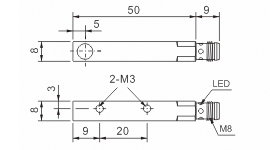
| 接线形式 | 引线 2m | |||
|
* 电缆线材料及长度可按要求定制. |
| 检测方式 | S |
N |
||
| 埋入式 | 非埋入式 | |||
![]() |
![]() |
|||
| 检测距离 | 1.5 mm | 2 mm | ||
| 直流 | NPN 3/4线 |
常开 | LJK-0808S1.5NO/S1 | LJK-0808N2NO/S1 |
| 常闭 | LJK-0808S1.5NC/S1 | LJK-0808N2NC/S1 | ||
| 开+闭 | ||||
| PNP 3/4线 |
常开 | LJK-0808S1.5PO/S1 | LJK-0808N2PO/S1 | |
| 常闭 | LJK-0808S1.5PC/S1 | LJK-0808N2PC/S1 | ||
| 开+闭 | ||||
| 2线 | 常开 | |||
| 常闭 | ||||
| 交流 2线 | 常开 | |||
| 常闭 | ||||
| 自由电源 2线 | 常开 | |||
| 常闭 | ||||
| 直流电源 | 交流电源 | 自由电源 | ||
| 3/4线 | 2线 | 2线 | 2线 | |
| 工作电压 | 10~30VDC | 90~250VAC | 12~240VDC 24~240VAC |
|
| 负载电流 | ≤200mA | -- | -- | |
| 静态电流 | ≤10mA | -- | -- | -- |
| 电 压 降 | <2.5V | -- | -- | -- |
| 开关频率(埋 入) | 1200Hz | -- | -- | -- |
| 开关频率(非埋入) | 1000Hz | -- | -- | -- |
| 标准检测体 | 8×8×1mm(铁),可检测导磁性物体 | |||
| 回差距离 | 约为检测距离的15% | |||
| 极性保护 | 具备 | -- | -- | |
| 短路保护 | -- | -- | -- | |
| 输出指示 | LED | |||
| 防护等级 | IP67 | |||
| 环境温度 | -20~70℃ | |||
| 相对湿度 | 35~95%RH | |||
| 外壳材料 | 铝合金 | |||
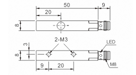
| 接线形式 | M8连接器 | |||
| 检测方式 | S |
N |
||
| 埋入式 | 非埋入式 | |||
![]() |
![]() |
|||
| 检测距离 | 1.5 mm | 2 mm | ||
| 直流 | NPN 3/4线 |
常开 | LJK-0807S1.5NO/S1 | LJK-0807N2NO/S1 |
| 常闭 | LJK-0807S1.5NC/S1 | LJK-0807N2NC/S1 | ||
| 开+闭 | ||||
| PNP 3/4线 |
常开 | LJK-0807S1.5PO/S1 | LJK-0807N2PO/S1 | |
| 常闭 | LJK-0807S1.5PC/S1 | LJK-0807N2PC/S1 | ||
| 开+闭 | ||||
| 2线 | 常开 | |||
| 常闭 | ||||
| 交流 2线 | 常开 | |||
| 常闭 | ||||
| 自由电源 2线 | 常开 | |||
| 常闭 | ||||
| 直流电源 | 交流电源 | 自由电源 | ||
| 3/4线 | 2线 | 2线 | 2线 | |
| 工作电压 | 10~30VDC | 90~250VAC | 12~240VDC 24~240VAC |
|
| 负载电流 | ≤200mA | -- | -- | |
| 静态电流 | ≤10mA | -- | -- | -- |
| 电 压 降 | <2.5V | -- | -- | -- |
| 开关频率(埋 入) | 1200Hz | -- | -- | -- |
| 开关频率(非埋入) | 1000Hz | -- | -- | -- |
| 标准检测体 | 8×8×1mm(铁),可检测导磁性物体 | |||
| 回差距离 | 约为检测距离的15% | |||
| 极性保护 | 具备 | -- | -- | |
| 短路保护 | -- | -- | -- | |
| 输出指示 | LED | |||
| 防护等级 | IP67 | |||
| 环境温度 | -20~70℃ | |||
| 相对湿度 | 35~95%RH | |||
| 外壳材料 | 铝合金 | |||
| 接线形式 | M8连接器 | |||
| DC 3线: |
![]() ![]() |